Articles in this Volume

Research Article Open Access
Compare the Performance of Current Large Language Models in Terms of System Security
Article thumbnail
This paper provides a comparative analysis of the systematic security capabilities of four leading large language models: OpenAI's ChatGPT, Meta AI’s LLaMA, Moonshot AI's BERT Chat, and Baidu's ERNIE series, including "Wenxin Yiyan." Each model's performance in addressing potential systematic security threats and vulnerabilities was evaluated through a rigorous assessment process. The study found significant differences in the security performance of these models. Specifically, ChatGPT exhibits remarkable resilience in handling confidential information, while LLaMA's advanced contextual understanding enhances its ability to identify and mitigate emerging security risks. BERT Chat stands out due to its strong user privacy protections, and Baidu's ERNIE, particularly "Wenxin Yiyan," provides comprehensive data security through multiple layers of defense. The study highlighted the diversity of security strategies employed by models, while pointing to the need for continued innovation in security measures as large language models develop.
Show more
Read Article PDF
Cite
Research Article Open Access
Telecom Platform Churn Prediction and Retention Strategies
Article thumbnail
The telecommunications industry is one of the pillar industries of the country, and with the popularization of mobile Internet and the vigorous development of the digital economy, the importance of network infrastructure has become increasingly prominent. The purpose of this paper is to use machine learning methods to predict telecom subscriber churn and identify the key factors influencing subscriber churn. By analyzing the Telco Customer Churn dataset on the Kaggle platform, this study provides an in-depth analysis of the attributes and behaviors of more than 7,000 users. During the data processing phase, data cleansing, preprocessing, and feature engineering were performed to better understand user data and build predictive models. The random forest algorithm was used to evaluate the performance of the model by calculating precision, recall and F1-Score. Through model testing and iterative optimization, model parameters are continuously adjusted to improve prediction accuracy. This study finally identified the important factors influencing user churn and analyzed these important factors through a series of visualization methods. Then, based on the conclusions drawn from the analysis, it provides recommendations for marketing strategies and user retention measures for telcos. The successful implementation of this study in the real world can help telcos prevent subscriber churn more effectively and improve customer satisfaction.
Show more
Read Article PDF
Cite
Research Article Open Access
Based on AVl CRUISE pure electric vehicle simulation and FTP75 circle power consumption factor analysis
Article thumbnail
In today's world, we are at a crucial juncture in the transformation of energy utilization, with the automotive industry significantly impacted by energy considerations. Electric vehicles, as representatives of new energy vehicles, are shaping the future direction of the automotive sector. The AVL-Cruise software system is equipped with a range of features, including a user-friendly modeling function and visual design analysis capabilities, offering invaluable technical support for simulating vehicle performance under complex operating conditions. For instance, in the context of a front-wheel-drive electric vehicle, this study leverages the AVL-CRUISE software to create a power system model and evaluate its dynamic performance. The simulation outcomes reveal impressive metrics, with a maximum speed of 178 km/h, a 100km acceleration time of 12 seconds, and a maximum climbing slope capability of 55%. These results affirm that the electric vehicle aligns with favorable design specifications, showcasing a total energy consumption of 8000KJ. Further explorations involve manipulating variables like air resistance coefficient and vehicle mass to dissect the relationship between dynamic performance and influencing factors. Through data analysis and model fitting, the study acquires a comprehensive understanding, offering valuable insights and reference points for optimizing electric vehicles.
Show more
Read Article PDF
Cite
Research Article Open Access
The Current State and Challenges of Aspect-Based Sentiment Analysis
Aspect-Based Sentiment Analysis (ABSA) is an important branch of natural language processing that aims to identify the sentiment polarity of aspect terms in the target language. With the increasing amount of text data generated by social media, e-commerce review platforms, and online forums, traditional holistic sentiment analysis can hardly meet the demand for fine-grained sentiment understanding. In comparison to conventional holistic sentiment analysis, ABSA provides a more comprehensive insight into the sentiment expressed. In addition, it has been widely employed in the fields of online public opinion analysis and management, thereby attracting increasing attention from researchers. This paper presents a comprehensive review of the existing literature on this topic, aiming to identify the principal research methods and findings in order to inform future research. In addition, it explores key research issues, including summarizing the theoretical underpinnings of ABSA, outlining the current dominant approaches to ABSA research, and finally exploring potential future developments and challenges in ABSA research. The results indicate that while significant advancements have been made, challenges such as handling implicit sentiments and integrating multimodal data still persist.
Show more
Read Article PDF
Cite
Research Article Open Access
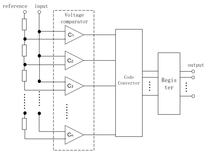
Overview of Structure Design and Development of Analog to Digital Converter
Article thumbnail
The article summarizes the development of analog-to-digital converters (ADCs) based on existing literature and data research. ADC plays a crucial role in many fields due to its analog-to-digital conversion function, but ADC has always been a bottleneck field in China, so it is important to develop ADC vigorously. This article first introduces three mainstream ADC architectures: Flash ADC, ADC, and SAR ADC. Next, it compares the gap in ADC development between China and foreign countries, and the research results show that there are significant gaps between China and foreign countries in three aspects. In terms of high-speed, most international ADCs use hybrid architectures, and many employ time-interleaving (TI) technology, which is scarcely used in China. In terms of high precision, domestic technologies such as noise shaping are often used to process noise and improve accuracy, while foreign methods are more varied. For low power consumption, most domestic and foreign improvements are based on SAR ADC. Finally, the future development direction of ADC is discussed, and new ADCs, mainly hybrid architecture ADCs and new architecture ADCs, are expected to play a pivotal role in advancing the field.
Show more
Read Article PDF
Cite
Research Article Open Access
Leveraging Computational Algorithms for Effective Explicit and Tacit Knowledge Capture: A Hybrid Approach Combining Expert Interviews, Machine Learning, and Data Mining Techniques
Article thumbnail
This research explores a hybrid method for knowledge acquisition that combine expert interviews by human experts with machine learning and data mining to augment the accuracy and richness of explicit and implicit knowledge-creation. With organisations beginning to realize the importance of efficient knowledge management, the boundaries of the traditional methodologies to deal with high dimensional data and advanced knowledge emerge. The work suggests a hybrid approach in which expert knowledge adds context, while computational algorithms add reliability and scalability. Data reveal 15% greater accuracy and 20% greater readability than single methods, which is a testament to the strengths of hybrid techniques. The paper illustrates practical implications for decision-making, employee training, and regulatory compliance, and illustrates how hybrid strategies enable more adaptive and integrated knowledge management practices. This study advances research across academic and industrial boundaries with an effective and scalable knowledge capture model that can be extended across industry verticals.
Show more
Read Article PDF
Cite
Research Article Open Access
AI-Based Music to Dance Synthesis and Rendering
Article thumbnail
AI Choreographer is a deep learning model that is able to generate dance motions according to music easily. However, several difficulties and weaknesses in the model still make it difficult to use. For example, the model generates realistic motions, but sometimes the motions are repetitive or do not respond to the audio correctly. Also, the model does not have a usable render that allows it to directly animate the provided models with generated data. We improved our base model to generate more realistic and better dance motions, and we also created a usable automated render pipeline to directly render the generated motions into an animation of the human models provided by the user. We improved the generation quality by introducing more audio features into the model so that the models can utilize more features for better results. Also, we overcame different difficulties in the rendering process, including applying the AI-generated numpy motion data to provided SMPL models and converting the animated SMPL models into usable FBX models. In general, the improved model generates motions that are more diverse and realistic than the base model, which provides dance motions that have higher quality.
Show more
Read Article PDF
Cite
Research Article Open Access
The Role of Virtual Reality Technology in Medical Applications: A Review
Article thumbnail
Virtual Reality (VR) technology has emerged as a groundbreaking tool in healthcare, offering transformative applications in medical education, surgical planning, and psychological therapy. VR enhances medical training by providing immersive, hands-on simulation environments, leading to improved diagnostic accuracy and surgical outcomes through rehearsal and risk reduction. Additionally, VR plays a crucial role in psychological therapies, offering controlled environments for exposure-based treatments and behavioral training. However, challenges such as high equipment costs and the need for specialized software hinder its widespread adoption. Future developments aim to address these issues by creating tailored software and improving data management for high-resolution simulations, paving the way for broader clinical use.
Show more
Read Article PDF
Cite
Research Article Open Access
A High-Performance Stock Prediction System Leveraging LSTM Neural Networks
Article thumbnail
Since the invention of the Artificial Neural Network (ANN), it has achieved great success in various supervised and unsupervised machine learning tasks because of its powerful ability of learning, relationship fitting, and information synthesis. However, traditional neural networks face limitations in handling sequential data, where each point is influenced by past trends—a critical aspect of stock prediction. Stock prices often reflect historical patterns, requiring models to capture these temporal dependencies. Long Short-Term Memory (LSTM) models, a type of Recurrent Neural Network (RNN), are particularly suited to this task, as they retain and integrate information over time, addressing issues like gradient vanishing and allowing precise forecasting. In this study, the LSTM model achieved a remarkably low loss of 0.00067, demonstrating its effectiveness in modeling complex, nonlinear dependencies in stock data and enhancing predictive accuracy. This robust approach provides valuable insights into future market behaviors, highlighting LSTM’s strength in financial forecasting.
Show more
Read Article PDF
Cite
Research Article Open Access
A Multi-Authority RSA Broadcast Encryption Scheme Based on Modulus Ni
With the development of network technology, multicast and broadcast communications have gradually replaced unicast communication. Traditional RSA encryption is no longer suitable for many network applications, such as scenarios where multiple users with different privilege levels access paid content. This paper demonstrates the limitations of the key management protocol proposed by Lin in 2004 under a multi-privilege user system and redefines the algorithm for generating the modulus N_i, achieving a hierarchical division of privilege levels. Based on this key management protocol, a new multi-privilege RSA broadcast encryption scheme is proposed, addressing the limitations of traditional RSA encryption in one-to-many communication scenarios and taking into account the different privilege levels of users. This scheme allows high-privilege users to decrypt more information, while low-privilege users decrypt less information, adapting to the needs of practical applications. By dynamically dividing user privilege levels and distributing private keys of different decryption levels accordingly, the system enables dynamic user addition and removal, enhancing the scalability and flexibility of the system. This expands the application scenarios of RSA encryption while increasing its security and practicality.
Show more
Read Article PDF
Cite