Articles in this Volume

Research Article Open Access
Research Progress of Neuromorphic Chips
Article thumbnail
The increasing amount of data in the era of artificial intelligence imposes higher demands on the computational power of neural networks, and in order to fulfill this demand, there is a pressing need to overcome the limitations imposed by the von Neumann architecture's memory wall. Memristors, with their characteristics, are considered the optimal electronic devices for implementing neuromorphic computing. Therefore, in order to better utilize memristors for the design and research of neuromorphic chips, this paper summarizes and comparatively analyzes the memristor characteristics, the RRAM basic principles, memristor array research, crossbar array designs based on memristors, and the study of memristor-based neuromorphic computing chips through the review. The paper emphasizes the challenges that memristor-based neuromorphic computing chips still face in the future, such as non-linear resistance variation. In addition, potential future research directions for amnesia-based neuromorphic computing chips, including amnesia architecture, programming techniques, and instruction set development, are discussed and investigated
Show more
Read Article PDF
Cite
Research Article Open Access
Research on Assembly Robots Based on Flexible Control Technology
Article thumbnail
Industrial robots play a vital role in modern production automation, especially in improving production efficiency and reducing labor costs. However, traditional robot position control methods often have difficulty coping with complex assembly tasks, especially in changing environments. To solve this problem, flexible control technology has emerged, which can dynamically adjust the state of the robot according to the force applied by the external environment, thereby effectively avoiding rigid collisions and improving the accuracy and safety of the robot. This paper summarizes recent research on force-aware control in scenarios of shaft-hole assembly, including improvements to traditional force-position hybrid control and the introduction of intelligent control principles. This technique has significantly improved the efficiency and success rate of the alignment and loading phases. However, the high cost of force-aware control and data transmission limitations remain challenges. Future research should focus on improving system flexibility, expanding application scope and optimizing the underlying hardware to drive robotics towards intelligence and refinement
Show more
Read Article PDF
Cite
Research Article Open Access
Based on AVL-CRUISE Hybrid and Electric Vehicle Simulation and FTP-72 Circle Power Consumption Factor Analysis
Article thumbnail
With the rapid advancement of technology and the growing scarcity of energy resources, finding effective ways to reduce power consumption has become increasingly crucial. Hybrid and electric vehicles play a vital role in this endeavor, warranting deeper exploration and focus. In this study, I utilized AVL-Cruise software, a powerful tool for simulation and data modeling, to conduct comprehensive simulations of hybrid and electric vehicle performance, with a specific focus on analyzing the FTP72 cycle.The simulation results are highly encouraging. The vehicle achieved a maximum speed of 164 km/h, an acceleration rate of 3 m/s², a 0 to 100 km/h acceleration time of 9 seconds, and a maximum climbing slope of approximately 74%. These figures not only demonstrate that hybrid and electric vehicles can meet performance expectations but also highlight their capability to deliver on key metrics. Furthermore, the total energy consumption was recorded at 4200 kJ, underscoring the efficiency of these vehicles.In addition to the simulation outcomes, I delved into various factors that influence vehicle performance, including vehicle mass, drag coefficient, and motor power.Using MATLAB, I conducted a detailed analysis of the relationships between these factors and energy consumption, incorporating residual analysis and deriving a mathematical equation to describe these interactions.Through this extensive data analysis and model fitting, we gain a deeper understanding of hybrid and electric vehicle dynamics. This research not only contributes to the field but also has the potential to drive further development, broadening the focus and scope of hybrid and electric vehicle technology
Show more
Read Article PDF
Cite
Research Article Open Access
From Building Materials to Environmental Management: Optimization of Building Recycling and Reuse Strategies Based on Life Cycle Assessment
Article thumbnail
In this paper, the recycling and reuse practices for building materials will be optimised by applying Life Cycle Analysis (LCA), Geographic Information System (GIS), and Artificial Intelligence (AI) to build sustainable buildings. Assessing the environmental footprint throughout the lifecycle, LCA’s approach highlights high-impact materials and recommends lighter-footprint alternatives. GIS can help map recycling sites and distribution networks to cut emissions and streamline material recyclage logistics. Additionally, AI models are used to forecast material degrading which will improve sorting efficiency and minimise human error during recycling. Study findings prove the need for an integrated strategy, where LCA provides environmental information, GIS facilitates logistics, and AI ensures recycling accuracy. According to the results, this multi-faceted system has the potential to revolutionise construction by reducing waste, reducing emissions and driving sustainable development. The research concludes with practical take-home lessons for industry adoption and research priorities that will enable the global transition to sustainable building
Show more
Read Article PDF
Cite
Research Article Open Access
Research on Interactive Control Algorithms for Lower Limb Exoskeleton Rehabilitation Robots
Article thumbnail
Lower limb exoskeleton rehabilitation robots represent an important development direction in modern rehabilitation technology. By integrating various sensors and control algorithms, these robots effectively enhance the specificity and efficiency of rehabilitation training. This paper systematically analyzes several widely used control methods, including position-based, force feedback, bioelectrical signal, and intelligent control strategies. Each strategy has its unique features and addresses different issues in the interaction between the robot and the patient, thereby improving the effectiveness and efficiency of rehabilitation training. For instance, position control provides stability and repeatability, force control ensures compliance, bioelectrical signal control offers rapid responsiveness, and intelligent control exhibits adaptability. Future research will focus on combining the advantages of different strategies to develop composite control methods that enable more efficient and personalized rehabilitation training, enhancing patient recovery outcomes and experiences
Show more
Read Article PDF
Cite
Research Article Open Access
Influence of SiC MOSFET Drive Control Parameters on Short Circuit Characteristics
Article thumbnail
This paper focuses on the short-circuit characteristics of SiC MOSFETs. The SiC MOSFET, categorized as a third-generation wide bandgap power semiconductor, shows significant promise for use in high-voltage applications. Short-circuit faults are categorized into hard-switch short circuits and load short circuits. The drive parameters, including Gate Resistance, Gate-Source Voltage, and DC Bus Voltage, significantly affect the short-circuit characteristics. Increasing Gate Resistance can slow down the rise rate and peak value of short-circuit current, reducing the risk of device damage, although too much Gate Resistance will slow down the switching speed. Raising the Gate-Source Voltage increases the short-circuit current peak and accelerates the rise time, but too high a Gate-Source Voltage increases the risk of device damage. The DC Bus Voltage does not have a significant effect on the short-circuit current but primarily influences the Gate-Source Voltage. Studying the influence of drive parameters on short-circuit characteristics is crucial for optimizing design and improving system stability
Show more
Read Article PDF
Cite
Research Article Open Access
Research on Human-Machine Interaction Control Technology for Lower Limb Exoskeleton Rehabilitation Robots
Article thumbnail
In response to the health assurance challenges faced by the elderly population in China’s aging society and to mitigate the shortage of medical resources while improving the rehabilitation rate of patients with central nervous system injuries, research on lower limb exoskeleton rehabilitation robots has been widely conducted. Since the 1960s, countries such as Switzerland, the United States, the Netherlands, Germany, Japan, and China have successively developed relatively mature standing and recumbent lower limb exoskeleton systems. This paper builds the kinematic and dynamic models of a lower limb exoskeleton rehabilitation robot based on a two-link mechanism, laying the theoretical foundation and implementation approach for processing position, velocity, and torque sensor signals in human-machine interaction control. Based on domestic and international progress as well as kinematic and dynamic analysis, four types of human-machine interaction control technologies—trajectory tracking control, force-position hybrid control, impedance control, and bioelectrical signal control—are thoroughly analyzed, providing a technical framework for engineering implementation. In the future, lower limb exoskeleton rehabilitation robots will integrate lightweight materials and structural design, intelligent adaptive algorithms, and environmental perception technologies, utilizing low-cost open-source platforms to optimize human-machine interaction control technology for more efficient, safe, and personalized rehabilitation training
Show more
Read Article PDF
Cite
Research Article Open Access
Comprehensive Analysis of Design Trends in Scattered Power Systems Utilizing Hydrogen as the Power Carrier
Article thumbnail
In this paper, the technological applications of hydrogen in the distributed energy systems are explored and various technological solutions such as gasification units, fuel cells, electrolyzers, hydrogen storage methods and methanation reforming reactors are analyzed. The study shows that electrolysis and fuel cells are widely recognized as the preferred technologies for incorporating hydrogen into energy systems, with alkaline electrolyzers in particular being favored for their greater capacity and technological advantages. Besides, research on hydrogen storage has focused on gas storage methods, as liquefied hydrogen requires great economic and energy inputs at low temperatures and high pressures. End uses of hydrogen include hybrid fuels, storage media and industrial raw materials. The results show that the widespread use of hydrogen energy storage is a direct result of the integration of renewable resources and indicate the potential of distributed energy systems for the sustainable provision of transportation fuels and raw materials. In addition, it analyzes a systematic assessment of hydrogen as an energy source, focusing on economic, technological, and environmental issues, noting that about 80% of the studies focus on economic factors, and emphasizes the importance of establishing an integrated framework to facilitate the application of hydrogen technology
Show more
Read Article PDF
Cite
Research Article Open Access
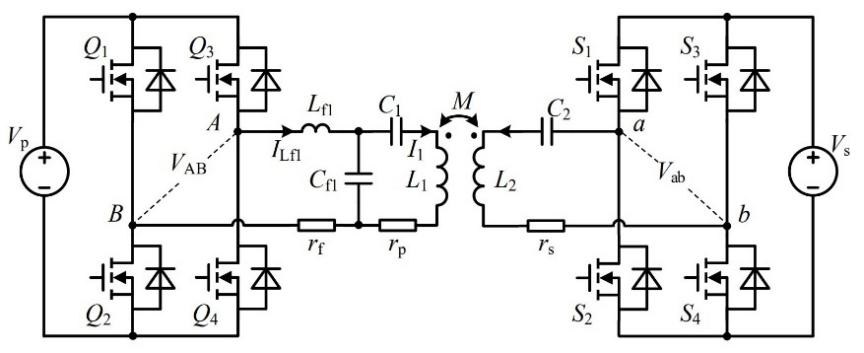
Research on the High-Efficiency Wireless Bidirectional Charging and Discharging System for Electric Vehicles Based on the LCC-S Compensation Network
Article thumbnail
In response to the existing issues of poor anti-offset performance and insufficient width of the matchable voltage range at the DC end in the current bidirectional wireless power transfer (BWPT) system for electric vehicles, an efficient wireless bidirectional charging and discharging system for electric vehicles based on the LCC-S compensation network is proposed. Compared with the topological structure of the traditional two-stage wireless bidirectional charging and discharging system, this system adds a DC-DC module in the on-board equipment, while the BWPT link adopts the LCC-S compensation topology. Moreover, this system realizes DC side voltage matching and transmission power regulation through the DC converter on the vehicle side. Under the premise of no control-level data communication between the primary and secondary sides, it achieves efficient, stable and reliable wireless bidirectional charging and discharging control. Finally, the working characteristics of the proposed system are tested through experiments. The results indicate that the system can maintain efficient, stable and reliable bidirectional operation under the conditions of a large offset range and wide voltage range at the DC side
Show more
Read Article PDF
Cite
Research Article Open Access
A Review of the Application and Development of Ultra-thin Silicon Chips
The widespread applications of ultra-thin silicon chips across industries such as healthcare, telecommunications, automotive, artificial intelligence, and energy management underscore their pivotal role in driving technological advancements and societal progress by enhancing efficiency, sustainability, and overall performance in various electronic systems. This paper provides an in-depth review of the application and development of ultra-thin silicon chips in modern electronic technology. Ultra-thin silicon chips, characterized by small size, low power consumption, and efficient heat dissipation, offer significant advantages over traditional chips in various electronic products such as smartphones, tablets, and smart wearable devices. The paper discusses the basic principles, fabrication methods, and advantages of ultra-thin silicon chips, highlighting their potential applications in emerging fields like artificial intelligence and the Internet of Things. Furthermore, the paper explores the evolving trends in ultra-thin silicon chip manufacturing technology, emphasizing advancements in nano-technology applications and intelligent manufacturing practices. The diverse applications of ultra-thin silicon chips across industries such as healthcare, telecommunications, automotive, artificial intelligence, and energy management underscore their pivotal role in driving technological advancements and societal progress
Show more
Read Article PDF
Cite