Articles in this Volume

Research Article Open Access
The Profound Impact of the Greenhouse Effect on Urban Environments Based on Mechanisms and Mitigation Strategies
Article thumbnail
As the city of Xi'an expands rapidly, the urban heat island (UHI) effect and the greenhouse effect are becoming more and more pronounced in terms of the city's temperature impact. The dense population in the urban core, coupled with the expanding suburbs, makes the city's climate change particularly dramatic. This study examines how the greenhouse effect is further exacerbating the urban heat island effect in Xi'an, with a particular focus on the impacts on the city's energy demand, public health, and the quality of life of its residents. Based on long-term climate data, pollutant levels and satellite remote sensing analysis, the study shows that urban sprawl and the accumulation of greenhouse gases are clearly leading to an increase in the temperature difference between the city centre and the surrounding areas. These findings not only reveal the causes of localized climate anomalies, but also show increased health risks and energy demand for residents. Through these observations, this paper highlights the strong link between urban planning and climate, and suggests that the necessary measures to address these challenges are to increase green space and promote energy-efficient buildings, measures that are essential to alleviate the problems in Xi'an's urban environment.
Show more
Read Article PDF
Cite
Research Article Open Access
Numerical Analysis of Aerodynamic Performance Characteristics of NACA 2412 and NACA 4412 at Re = 4000000
Article thumbnail
This paper conducts a numerical analysis of the two-dimensional aerodynamic characteristics of the NACA 2412 and NACA 4412 aerofoils at a Reynolds number of Re = 4×106. Employing the fluid simulation software Ansys Fluent, which is based on the finite volume method, for numerical analysis. Both the geometric model and mesh of the aerofoil are established by using Fluent Meshing, and the simulation calculation is performed based on the pressure solver. Based on the Navier-Stokes equations, the SST k-ω turbulence model and coupled algorithm are employed for the simulation processing. The paper systematically compares the aerodynamic characteristics of NACA 2412 and NACA 4412, including the pressure and velocity distributions, as well as the variations in the lift coefficient, drag coefficient, and lift-to-drag ratio concerning the angle of attack. The results indicate that at Re = 4×106, the peak value of the lift-to-drag ratio of the NACA 2412 aerofoil is attained under the 8° condition, for the NACA 4412 aerofoil, the lift-to-drag ratio reaches its peak value at a 6° angle of attack. Additionally, the stall angles of both types of aerofoils under the studied operating conditions are 16°.
Show more
Read Article PDF
Cite
Research Article Open Access
Research Progress of Polylactic Acid/Graphene Composites and Polylactic Acid/ Graphene Oxide Composites
Article thumbnail
The preparation of graphene/polylactic acid nanocomposites by modifying polylactic acid with graphene and its derivative graphene oxide is reviewed. It mainly includes solution method and melt blending method. Under different processing methods, the dispersion degree of nano fillers in the matrix is different, and the properties of the obtained materials are different. The choice of graphene and graphene oxide has a greater impact on the properties of the materials. The improvement of the mechanical properties of graphene /PLA composite materials has made the performance of PLA in packaging, textiles, biomedicine and other fields more excellent, while the gas isolation performance and electrical conductivity brought by graphene have opened up more new directions for graphene /PLA composite materials, such as 3d printing materials.
Show more
Read Article PDF
Cite
Research Article Open Access
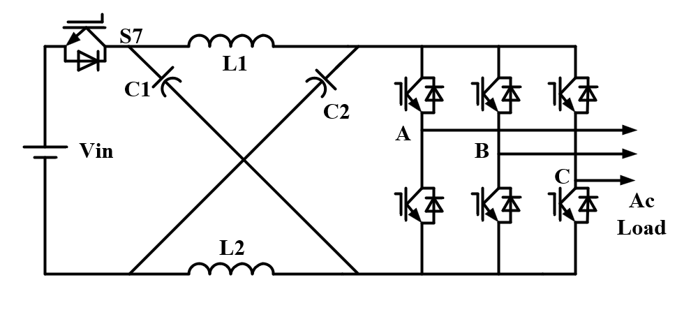
Comprehensive Analysis of Impedance Source Converters and Quasi-Z-Source Converters for Renewable Power Generation
Article thumbnail
As global attention on renewable energy continues to grow, impedance source converters (ISCs), including Z-source converters (ZSCs) and quasi-Z-source converters (QZSCs), have become focal points in research on renewable energy generation systems. These converters are valued for their adaptability to a broad range of voltage fluctuations, as well as their ability to enhance system efficiency and stability. Building upon the foundations of ZSCs and QZSCs, this paper explores and summarizes their applications in several pivotal areas of renewable energy research. These include addressing challenges such as low and fluctuating input voltages in hybrid renewable energy supply systems, their application in batteries of electric vehicles, and the implementation of high-performance buck-boost DC-DC converters. Additionally, the paper analyzes the strengths and weaknesses associated with various applications. Ultimately, the paper concludes with recommendations and future outlooks for improving the stability and efficiency of ZSCs and QZSCs in practical applications.
Show more
Read Article PDF
Cite
Research Article Open Access
Development and Outlook of Fast Charging for Electric Vehicles in China
Article thumbnail
With the escalating demand for sustainable transportation and the rapid growth of the electric vehicle (EV) market in China, the development of efficient fast charging solutions has gained paramount importance. This paper conducts a comprehensive analysis of the current status and historical evolution of fast charging for EVs in China, focussing on technological advancements such as the emergence of 800V high-voltage platforms and improvements in battery and charging facilities. Moreover, it examines the obstacles faced and proposes potential solutions. Fast charging not only alleviates range anxiety but also significantly boosts the practicality and popularity of EVs, facilitating their widespread adoption. However, despite the considerable progress made, challenges persist, including the high cost and limited coverage of charging infrastructure, as well as potential negative impacts on battery longevity. Achieving interoperability among super-fast charging protocols across different brands and expanding fast-charging station infrastructure will be critical to addressing the issues of slow charging and range anxiety, thereby achieving the full popularization of electric vehicles.
Show more
Read Article PDF
Cite
Research Article Open Access
Effect of Reynolds Number and Angle of Attack on Aerodynamic Performance of NACA2412
Article thumbnail
Numerous studies have been carried out on various flow control techniques aimed at enhancing the aerodynamic performance of different aerofoil designs. This research examines the aerodynamic properties of the NACA2412 aerofoil across different Reynolds numbers and angles of attack through numerical simulations. A structured mesh along with a 'C'-type computational domain was utilized, and CFD analyses were performed in Fluent to evaluate the lift coefficient (CL) and drag coefficient (CD) for Reynolds numbers between 20,000 and 100,000, as well as angles of attack from 0° to 20°. The findings reveal that an increase in Reynolds number results in a higher CL; however, CD also rises significantly at elevated Reynolds numbers. Furthermore, as the angle of attack increases, CL reaches its maximum at 15° before experiencing a sharp decrease, while CD shows a steep increase indicative of stall conditions. This study offers valuable insights for optimizing aerofoil design and enhancing aerodynamic performance.
Show more
Read Article PDF
Cite
Research Article Open Access
Comparison of Aerodynamic Characteristics of NACA 2415 and NACA 4415 Aerofoils
Article thumbnail
This study compared the two-dimensional aerodynamic characteristics of NACA 2415 and NACA 4415 at different angles of attack. In this study, the Reynolds number is 2.3e6, under which the velocity of the air is 33 m/s. The mesh of C-type is established based on ANSYS Meshing; to simplify the calculation, the chord length is set to 1 m. The fluid simulation is done by ANSYS Fluent, and the simulation calculation is performed based on the pressure solver. The N-S equation is used as the governing equation. Velocity inlet and pressure outlet are set as the boundary condition, and the k-omega SST viscous model is chosen for the simulation processing. This study compares the aerodynamics of NACA 2415 and NACA 4415 at different angles of attack, including the pressure and velocity distribution, lift and drag coefficient, and lift-drag ratio. The results of this research would help optimize wing design and develop new aerofoil and testing.
Show more
Read Article PDF
Cite
Research Article Open Access
Injectable Hydrogel-Loaded Rough Heterostructured Nanoparticles for Multi-Procedural Promotion of Diabetic Wound Healing
Article thumbnail
Wound healing is a complex, multifaceted biological process broadly divided into four overlapping phases: hemostasis, inflammation, proliferation, and remodeling. Each stage of wound healing is critical to successfully restoring tissue integrity, and disruption or delay in any of these stages can lead to delayed healing. Various existing nanomaterials only promote a single stage. In this study, Au-CuS nanoparticles (Au-CuS NPs) with rough surfaces were formed by using gold nanorods (Au NRs) as templates on which copper sulfide (CuS) was grown and transported in an injectable hydrogel (Au-CuS@Gel). Au-CuS@Gel can accelerate all stages of diabetic wound healing. The rough surface of Au-CuS@Gel and the injectable property of hydrogel can adhere to close the wound and generate reactive oxygen species (ROS) under near infrared (NIR) light to effectively kill bacteria in diabetic wounds. Meanwhile, the rough morphology effectively polarizes macrophages to M2 phenotype and accelerates collagen deposition. Au-CuS@Gel can be programmed to promote all stages of diabetic wound healing. It provides a new paradigm for the healing of the special wounds represented by diabetes.
Show more
Read Article PDF
Cite
Research Article Open Access
Carbon Capture and Storage: Critical Analysis of Its Role amidst Net-Zero Pathway
This article will analyze the role of carbon capture and storage technology (CCUS) in achieving a net-zero emissions path. In his article, author Naoko Ellis introduces the development, innovation, problems and challenges of CCUS, and believes that although CCUS technology has high risks and high costs, and may have a negative impact on the progress of renewable energy, CCUS should be taken into consideration when addressing complex climate issues. The article discusses the relationship between CCUS technology and renewable energy, especially its role in the energy system, and points out that CCUS technology is more applicable in heavy industry, such as high-emission industries such as cement and steel. The author also believes that in order to achieve net zero emissions, CCUS technology should be one of many technologies and coexist with other carbon reduction technologies. However, the article also mentioned that the progress of CCUS technology is far below expectations, and its high costs and uncertain risks still need further evaluation.
Show more
Read Article PDF
Cite
Research Article Open Access
Design and Optimization of a 4-bit Absolute Value Detector
Article thumbnail
This paper presents the design and optimization of a 4-bit absolute value detector, focusing on enhancing circuit performance while minimizing delay and power consumption. A truth table was initially constructed to clearly understand the functionality of the detector. Logic expressions were simplified using Karnaugh maps, and the detector applied only NAND gates, NOR gates, and inverters. This approach not only improved the circuit's efficiency but also enabled the rapid identification of critical paths due to the design's high symmetry. The impact of input capacitance and supply voltage on delay and power consumption was analyzed. Increasing input capacitance reduced delay but increased overall power consumption, while decreasing supply voltage had the opposite effect. To further optimize performance, the internal capacitance of the last gate on the critical path was reduced, introducing a new set of constraints and power consumption equations. Minimum power consumption was calculated using MATLAB under the new constraints, resulting in a significant reduction compared to previous values. Experimental results demonstrated the effectiveness of the optimization strategy.
Show more
Read Article PDF
Cite