Articles in this Volume

Research Article Open Access
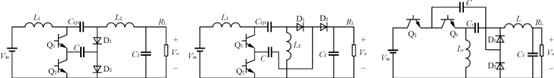
Powertrain structure analysis of extended range electric vehicles
Article thumbnail
Since its invention, the internal combustion engine has greatly contributed to the development of human civilization and is also an important symbol of the progress of human civilization. The energy and environmental problems brought by traditional automobiles have seriously restricted the development of today's automotive industry. Due to the bottleneck of pure electric vehicle power battery technology, its short range and short battery life, the extended range electric vehicle is a smooth transition model of the pure electric vehicle, with its high efficiency, small battery capacity, long driving range and other advantages have received widespread attention. In this paper, the key technical issues, including the component selection, parameter matching, and control strategy of the extended-range electric vehicle drive system, are analyzed and discussed in detail. Several issues worthy of attention in future research are pointed out in the paper and provide insights for further development of extended-range electric vehicles.
Show more
Read Article PDF
Cite
Research Article Open Access
Artificial intelligence in the construction sector
The application of artificial intelligence in the construction industry is divided into two main areas: 1. Using new technologies such as big data, cloud computing and the Internet of Things to optimise building design and management and provide users with a better living environment and service experience. 2. Using artificial intelligence technology to carry out intelligent building operation and maintenance, reduce the number of construction site operators and improve the efficiency of the construction site. Based on the analysis of the application scenarios in these two aspects, the application of artificial intelligence in the field of construction has a broad prospect. Especially with the continuous development and improvement of the Internet of Things and big data technology, artificial intelligence can better enhance the quality of intelligent buildings.
Show more
Read Article PDF
Cite
Research Article Open Access
The prospect of chassis structure design for new energy battery electric vehicles
Article thumbnail
More focus has been placed on creating new energy cars that are safer and more energy-efficient due to the development of new energy vehicle technologies and their strategic importance in addressing current energy and environmental issues. The chassis system's primary components, whether for a conventional fuel vehicle or a new energy vehicle, are the braking, suspension, and steering subsystems. The functioning, comfort, and safety of modern energy vehicles are strongly correlated to their structural design. At the moment, the design of new energy vehicle chassis is mostly based on refining and adapting the chassis of conventional fuel vehicles. However, new energy vehicles have distinct driving systems compared to conventional vehicles. Thus it is important to account for these variations in the layout and make it compatible with the whole system. The chassis structural design of new energy cars is more adaptable and affects vehicle performance compared to fuel-powered vehicles. The integrated battery and high amount of unsprung mass affect the center of gravity and stability of the new energy vehicle. The coordination and collaboration between the power battery module and the chassis construction must therefore be carefully considered, as well as their effects on the entire vehicle performance, including its safety and economic effectiveness. In conclusion, thoroughly examining the chassis structure design plan for new energy vehicles is crucial for advancing these vehicles.
Show more
Read Article PDF
Cite
Research Article Open Access
Current status of power system for unmanned aerial vehicle fuel cell under different scenarios
Article thumbnail
With the increasingly wide application of the unmanned aerial vehicle, a new power resource is in urgent demand in the market. Domestic and foreign researchers have also done much research on how to improve the power system. Considering the energy density, gravimetric specific power, economic benefits and environmental protection, fuel cell becomes the best choice to solve the problem of unmanned aerial vehicle endurance. The gravimetric specific power of fuel cells is low, and it is difficult to cope with the large range fluctuation of load power when the UAV performs complex flight tasks. After comparing the performance and products of various types of fuel cells, the cathode open air-cooled proton exchange membrane fuel cell is chosen as the most suitable one for UAVs. This paper will illustrate how fuel cell and battery hybrid power system works and introduce their structure. At the end of the paper, some conclusions and prospects for the development of UAV power systems are also made.
Show more
Read Article PDF
Cite
Research Article Open Access
Application of DC-DC power module in electric vehicle system
Article thumbnail
DC-DC power module has been increasingly widely used in car manufacturing industry and studied by scientists due to its crucial role in electric vehicles. It has two major functions. One is to provide electric power that motivates the power steering system, air conditioning, and other auxiliary equipment; the other is to operate in a hybrid electric source system by connecting with super-capacitors in series in a circuit, which performs a function of regulating power source output, as well as stabilizing the DC voltage bus. This review aims to investigate the fundamental principle of DC-DC converter, to comprehensively review the different types of DC-DC power modules and their characteristics, as well as their advantages and limitations. In addition, to discuss the major challenges existing in this system currently, and the potential it has for future developments, which refers to the power output efficiency of the system when it is applied in electric vehicles. Finally, to demonstrate some real-life applications of this module, the representative examples of firms successfully applying this power module into production. This paper has a guiding significance for acknowledging the current state of development of DC-DC power modules in the electric vehicle system, and for studying some related research fields.
Show more
Read Article PDF
Cite
Research Article Open Access
Analysis of path planning of UAV in short-distance logistics application
Article thumbnail
China's e-commerce sector has grown quickly in recent years, and the logistics sector has grown to be a significant sector of the national economy. Meanwhile, the business volume of the logistics industry has also increased continuously. The characteristics of intelligence and informatization of short-distance logistics UAVs, advantages such as high efficiency and not being constrained by road grids and related technical applications can greatly save manpower and time in logistics and transportation, so that the goods can be transported to the receiving place faster. Therefore, UAVs are an important part of the logistics field, among them, the path planning of UAVs is an important technical component to ensure the transportation of goods. This article first introduces the importance of UAV path planning technology in the field of short-distance logistics. Secondly, the path planning of UAVs in short-distance logistics applications is divided into two categories. The overview and analysis are carried out from the two aspects of traditional mathematical algorithm and bionic algorithm. Meanwhile, based on the available information, the benefits and drawbacks of the available methods are examined. Then, based on MATLAB, two classical methods are selected from the traditional mathematical algorithm and the bionic algorithm to carry out path planning simulation experiments in scenarios of different complexity, and the results are analyzed. Finally, the advantages and disadvantages of the above two algorithms are summarized and analyzed, and the prospect of UAV citation in short-distance logistics is prospected.
Show more
Read Article PDF
Cite
Research Article Open Access
Performance analysis of machine learning methods for short-term traffic prediction
Article thumbnail
With the rapid development of urbanization and the rapid increase of the number of motor vehicles, the problem of urban traffic congestion has become increasingly prominent. The accurate prediction of short-term traffic flow is considered as a promising solution, which can provide a key decision-making basis for route planning and traffic flow scheduling, so that can greatly alleviate or even prevent congestion. Researchers have used many machine learning methods to predict traffic flow, but few people pay attention to the boundaries of different machine algorithms. In this paper, we use AdaBoost, Random Forest, SVM and BP neural network to predict short-term traffic flow in California, which aims to compare the differences in prediction performance of different algorithms and analyze their potential reasons. The results show that, the integration methods such as AdaBoost and Random Forest are quite appropriate to solve the short-term traffic flow, which can obtain an accuracy more than 95%, while prediction made by SVM is less precise than the two aforementioned methods with a 79% accuracy. And BP neural network may be inappropriate if the parameters remain default. The different results are due to the periodicity of the database. Integration methods can recognize the periodicity while the SVM and BP neural network fail to do it. When employing the SVM and BP neural network, the datasets need to be divided within a period to avoid being disturbed by cyclically. Besides, the precise of BP neural network can be improved when adjusting the parameters to the optimal.
Show more
Read Article PDF
Cite
Research Article Open Access
FDM 3D printer temperature control system based on PID control
Article thumbnail
With the continuous development of manufacturing technology today, the emerging technology of 3D printing is becoming more mature, and the surface accuracy and quality of printed products are receiving increasing attention from users. The stability and appropriateness of the nozzle temperature have a significant impact on the quality of the prints. This project focuses on the fused deposition modeling (FDM) 3D printer as the research subject, introduces the structure types of FDM 3D printers, and addresses the temperature control issue of FDM printers by using PID control for improvement. By applying SIMULINK to model and simulate the nozzle temperature control system, the simulation results of PID control are analyzed and compared. The results show that PID control shortens the stabilization time, improving the stability and control accuracy of the control system. PID control can enhance the temperature control accuracy of FDM printers, thus improving the precision and surface quality of the printed products.
Show more
Read Article PDF
Cite
Research Article Open Access
Research progress on lightweight technology of exoskeleton robot
Exoskeleton robots are wearable devices designed to mimic the skeletal mechanisms of insects and humans Enhancing users’ body functioning. In recent years, exoskeleton robot has become one of the hot spots in military and medical fields. In the process of exoskeleton robot research and development, how to achieve lightweight exoskeleton robot design is the goal of many research and development teams. Lightweight design is of significant importance in the development of exoskeleton robots since it can increase their efficiency and portability. With the improvement of modern processing technology, the lightweight technology of exoskeleton robot is becoming more and more mature. This paper summarizes the mature and promising lightweight technology of exoskeleton robot at present. In this paper, based on existing exoskeleton robots, the lightweight technology of these robots is analysed and reviewed in terms of their drive devices, power supply, structures and materials, and future development trends of the technology are suggested. This paper offers a reference the lightweight design of exoskeleton robot.
Show more
Read Article PDF
Cite
Research Article Open Access
Principles and examples of drag reduction in civil airliners
Article thumbnail
Civil aviation has grown rapidly over the past hundred years as demand from air travellers has increased. Since the mid to late 20th century, there have been recurring global energy crises due to political and economic upheavals. In this international context, airlines have tended to operate less draggy, more fuel efficient aircraft in order to maximise profits through fuel cost savings . To this end, aircraft manufacturers have historically tried a variety of methods to address the issue of drag reduction.This paper highlights the importance of three drag reduction methods utilized on modern subsonic airliners by introducing their basic principle and evaluating their effectiveness based on previous research and typical experiments. This paper summarizes and analyzes different approaches to reduce drag in civil aviation. It first investigates the principle behind frictional, induced, and profile drag in theoretical aspects. It then discusses in detail the biomimicry microstructure based on shark skin and its uniqueness on aircraft fuselage’s surface to reduce frictional drag, the split scimitar winglet and its ideal performance to reduce induced drag when compared with other wingtip devices with different cant angles. The newly introduced adaptive lifting surface changes the wing’s geometric configuration momentarily, and its ability to reduce profile drag at different stages of flight. This paper also comprehensively compares both the benefits and potential compromises of these drag reduction methods.
Show more
Read Article PDF
Cite