Articles in this Volume

Research Article Open Access
The design and construction of the green building--the Shanghai Tower as an example
With an increasingly strong concept from the public in protecting the ecological environment, green buildings account for more percentages in the buildings built in recent years. However, there are still many problems to be solved in the design and construction of green buildings. Therefore, this paper combines the construction and design process of the Shanghai Tower, a famous green high-rise building, and analyses many aspects, such as foundation, structural design, material selection, circulatory system, technology application, and other areas, to draw some options that can be effectively used and practiced in green buildings. For example, the selection of alternative materials and the promotion and application of energy-saving design aspects, the use of geothermal energy and rainwater resources near the building and the effectiveness that BIM can play provide inspiration for the future development of green building design and construction, as well as an important embodiment of the concept of green and sustainable development.
Show more
Read Article PDF
Cite
Research Article Open Access
Development and application analysis of the quadrotor UAV’s attitude control
Article thumbnail
Due to the economy's tremendous growth and the technology's impressive advancement, the practicality of UAVs has become a hot topic of concern for all sectors of society at present. According to the classification of flight platform configuration, drones may be split into many different types. Quadrotor drones are a common type of aerial robot, which is widely used in civilian and military fields at this stage. The safety and stability of the UAV in use are particularly important, so its flight attitude must be humanly tuned and controlled. This paper mainly analyzes the attitude control technology of quadrotor UAVs. Firstly, the key components and technical difficulties of attitude control are analyzed. Then some common control methods and application scenarios of current mainstream control methods are introduced and analyzed in detail. Finally, future research directions are analyzed and summarized based on the existing methods.
Show more
Read Article PDF
Cite
Research Article Open Access
Controller design for transition flight of rotor-driven VTOL fixed-wing UAV based on PID
Article thumbnail
The field of drones has received a lot of attention in recent years and is developing well. In the process of resource circulation in cities, UAVs play an increasingly important role, such as logistics, monitoring, emergency rescue, etc. However, traditional rotary-wing UAVs and fixed-wing UAVs can be limited in some conditions, such as load, cruising speed and take-off area. Based on the above reasons, this paper designs a rotor-driven VTOL fixed-wing UAV, which combines the vertical take-off and landing of rotor and the fast cruise of fixed-wing UAV and other characteristics. And based on this UAV, for the transition process from hovering state to cruising state, a PID controller is used to control the cruising speed, and then the flight altitude is controlled by a series-level PID controller. The final results show that the cruise speed can be stabilized at about 50km/h within 3 seconds by adjusting the PID parameters without considering the motor speed saturation. In addition, while ensuring the cruise speed reaches convergence quickly, the PID parameters of the acceleration loop, velocity loop and altitude loop can be adjusted separately to control the altitude error of the UAV within 5cm. This study provides a reference for researchers to study the control of rotor-driven UAVs in the transition process.
Show more
Read Article PDF
Cite
Research Article Open Access
Feasibility study and development analysis of fully actuated multi-rotor UAVs
Article thumbnail
Fully actuated multi-rotor UAVs have gone through development in the last decades. This article collects studies on different UAV modelling design and feedback control to prove the feasibility of its full actuation. First, the structure design and model construction of fully actuated multi-rotor UAV are discussed and analyzed. Then, the types of fully actuated multi-rotor are classified and analyzed in combination with relevant papers in recent years. Then, the feedback control method is analyzed on the basis of mathematical modeling. Finally, he feasibility of design and control of fully driven UAV has been confirmed, and the future development trend is expected.
Show more
Read Article PDF
Cite
Research Article Open Access
Factors influencing the construction cost of high-speed rail in China and comparative analysis with other countries
Article thumbnail
In recent years, with the rapid development of the social economy, the high-speed rail industry of all countries in the world has been improved to some extent. In the construction process of high-speed rail, construction cost is very important. It is highly valued by many infrastructure companies or teams. It not only serves as the foundation of the construction process but also can promote the whole project. This paper mainly studies the factors that affect high-speed railway construction costs in China and compares them with other countries. Based on the data, the geographical differences, labor force and technical standards change will have an impact on the cost of the construction, these three key factors deserve to be considered.
Show more
Read Article PDF
Cite
Research Article Open Access
Study on short circuit effect of silicon carbide power devices
Article thumbnail
SiC can provide better material properties when the performance of Si - based power devices is almost developed to the limit. But compared with Si material, the reliability of SiC device is poor under ultimate stress. The short circuit capability of SiC MOSFET has been the main area of attention in this paper’s study. Through the analysis of SiC MOSFET short-circuit capability, it is mainly represented by the time that the device can withstand short-circuit stress and the time it takes for the device to be safely turned off in the event of a short circuit fault. Secondly, the detection circuit and protection circuit under the SiC MOSFET short-circuit fault are briefly studied, and the optimization ideas and working principles are summarized.
Show more
Read Article PDF
Cite
Research Article Open Access
Research progress and application of spherical solar cell in solar car
Article thumbnail
Along with the economic development of China, all industries have faced new opportunities. However, the fast development of the automobile industry has also negatively impacted environmental resources, such as petroleum resource consumption and environmental pollution. In order to protect the environment and travel green, this paper analyzes the progress of solar energy applied to cars as clean energy. First of all, this paper explains the working principle of solar cars and how to convert the collected solar energy into electric energy to store or provide kinetic energy for the car. Further, since the loss of air resistance of the car accounts for up to 60%, this paper analyzes the modeling and design principles of the solar car through aerodynamics. In addition, this paper focuses on the solar panel-related content, which is the core part of the solar car, puts forward and introduces the spherical solar cell not popular in China, and finally puts forward relevant suggestions for the pilot of the solar car. Reducing the kinetic energy loss caused by air resistance and improving the efficiency of solar energy conversion should be the focus of the future development of solar vehicles.
Show more
Read Article PDF
Cite
Research Article Open Access
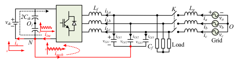
Analysis of an improved three-phase voltage source converter with high-performance operation under unbalanced conditions
Article thumbnail
The power system is rapidly transforming into a new large-scale distributed power generation model using renewable energy. Grid-connected converters, particularly voltage control compensators like STATCOM, will be crucial to the functioning of this new situation. Voltage source converter (VSC) is one of the most commonly used topologies in grid connection converters. As a distributed power-generating device, VSCs can be utilized as a means of connecting sustainable energy sources to the power grid. The three-phase voltage source currents or voltage ripples may appear in the DC chain. This study examines the enhanced three-phase VSC, pinpoints the factors that contribute to the great performance of VSCs, and looks at future trends in three-phase VSCs. VSC is a power electronic device capable of converting DC voltages to three-phase AC voltages and is commonly used in areas such as grid connection, reactive power compensation and harmonic suppression. In practical applications, various types of grid or load disturbances pose hidden dangers to the normal operation of the VSC. Due to the presence of unbalanced grids and loads, significant double frequency.
Show more
Read Article PDF
Cite
Research Article Open Access
Future development and prospect of new energy aircraft
Article thumbnail
The development of green aircraft has become the core consensus of human society with the rise of new energy. Zero carbon emissions are a crucial step toward green aviation in the future with new energy planes. Additionally receiving a lot of attention and sparking a development frenzy are new energy aircraft. Focusing on the development of new energy aviation is crucial, particularly in light of China's dual-carbon strategy. This paper analyzes the necessity of vigorously developing new energy aircraft and new energy aviation tracks and briefly describes the influence of aviation on the environment, the application of electricity in aircraft and the development course of electric aircraft. This paper introduces the research status and future development trend of new energy aviation at home and abroad. This article offers some recommendations for the growth of new energy aviation against the backdrop of the double carbon strategy, providing the fundamental theoretical underpinnings for the transformation of green and low-carbon new energy aviation in China.
Show more
Read Article PDF
Cite
Research Article Open Access
Thermal insulations under concepts of green building in China
Article thumbnail
In order to protect the environment in present-day society, green buildings are seen as an effective and logical solution. Insulating materials are frequently widely used in green buildings to reduce their energy dissipation. China, as a global power, is at the forefront of ecological development. This paper will focus on the study of thermal insulations in the context of green concepts, a specific analysis of their properties and examples of their application in China. It is found that most of the green developments lack economic support and therefore, insulation materials need to be developed in the direction of low cost and high efficiency and effectively reduce their harmful effects on the environment. Furthermore, the development of insulation materials in China should pay attention to geographical differences, i.e. the insulation materials that can be applied in different regions in the North and South are different. This study will facilitate the application of insulating materials in China's ecological development, reducing related energy losses and protecting the surrounding environment.
Show more
Read Article PDF
Cite